Рамы

rama_to-18b_sayt_-_1_0.jpg

№ поз.

Каталожный номер

Наименование детали

Фото

1

ТО-18В.01.01.000

Полурама

фото

2

ТО-28.00.00.200

Кронштейн

фото

3

М12х20.7736

Болт

фото

4

12.6402

Шайба

фото

5

ТО-28.00.00.100

Кронштейн

фото

6

ТО-28.01.40.000

Палец

фото

7

ТО-186.01.02.000

Полурама

фото

8

ТО-28.01.00.006

Крышка

фото

9

ТО-18А.01.00.001

Палец

фото

10

4х63.397

Шплинт

фото

11

8.6402

Шайба

фото

12

М8х16.7736

Болт

фото

13

ТО-18.01.00.005

Крышка

фото

14

8.11371

Шайба

фото

15

ТО-186.01.00.001

Упор

фото

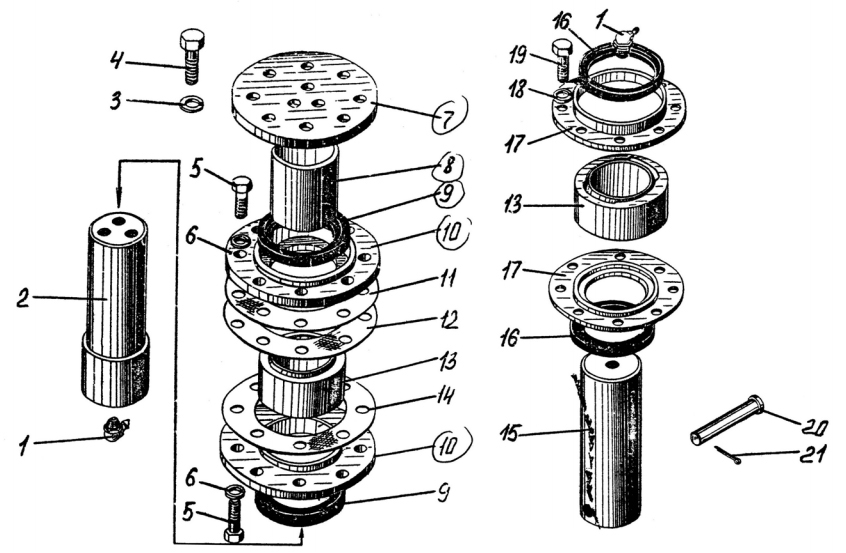
rama_to-18b_sayt_-_2_0.jpg

№ поз.

Каталожный номер

Наименование детали

Фото

1

2.345.19853

Масленка

фото

2

ТО-18А.01.00.009

Палец

фото

3

18.6402

Шайба

фото

4

М16х40.7796

Болт

фото

5

М12х30.7796

Болт

фото

6

12.6402

Шайба

фото

7

ТО-18А.01.00.010

Шайба

фото

8

ТО-18А.01.00011

Втулка

фото

9

1.2-80х105-18752

Манжета

фото

10

ТО-18А.01.00.014

Крышка

фото

11

ТО-18А01.00.022

Прокладка

фото

12

ТО-18аА.01.00.022-01

Прокладка

фото

13

ШСЛ-70

Подшипник

фото

14

ТО18А.01.00.022-02

Прокладка

фото

15

ТО-18А.01.00.007

Палец

фото

16

12-70х35-1.8752

Манжета

фото

17

ТО-18А.01.00.015

Крышка

фото

18

10.6402

Шайба

фото

19

М10х207796

Болт

фото

20

6-16х110.9650

Ось

фото

21

4х25.397

Шплинт

фото

 

Заказ запасных частей по телефонам

  • +375 (29) 6632398 - Климович Дмитрий Георгиевич (директор)
  • +375 (29) 6153394 - Спиридонов Сергей Владимирович (главный инженер)
  • +375 (29) 6630018 - Девятов Владимир Борисович (зам. дир по производству)
  • +375 (29) 6742569 - офис
  • +375 (17) 3578612, +375 (17) 3579713 - Офис