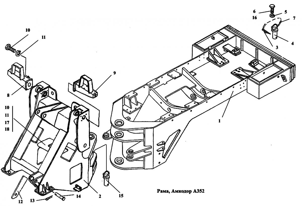
Рамы
Рама

№ поз.
|
Каталожный номер
|
Наименование детали
|
Фото
|
1
|
350.01.02.000
|
Полурама
|
фото
|
2
|
350.01.01.000-01
|
Полурама
|
фото
|
3
|
ТО-18Б.01.00.003
|
Шплинт
|
фото
|
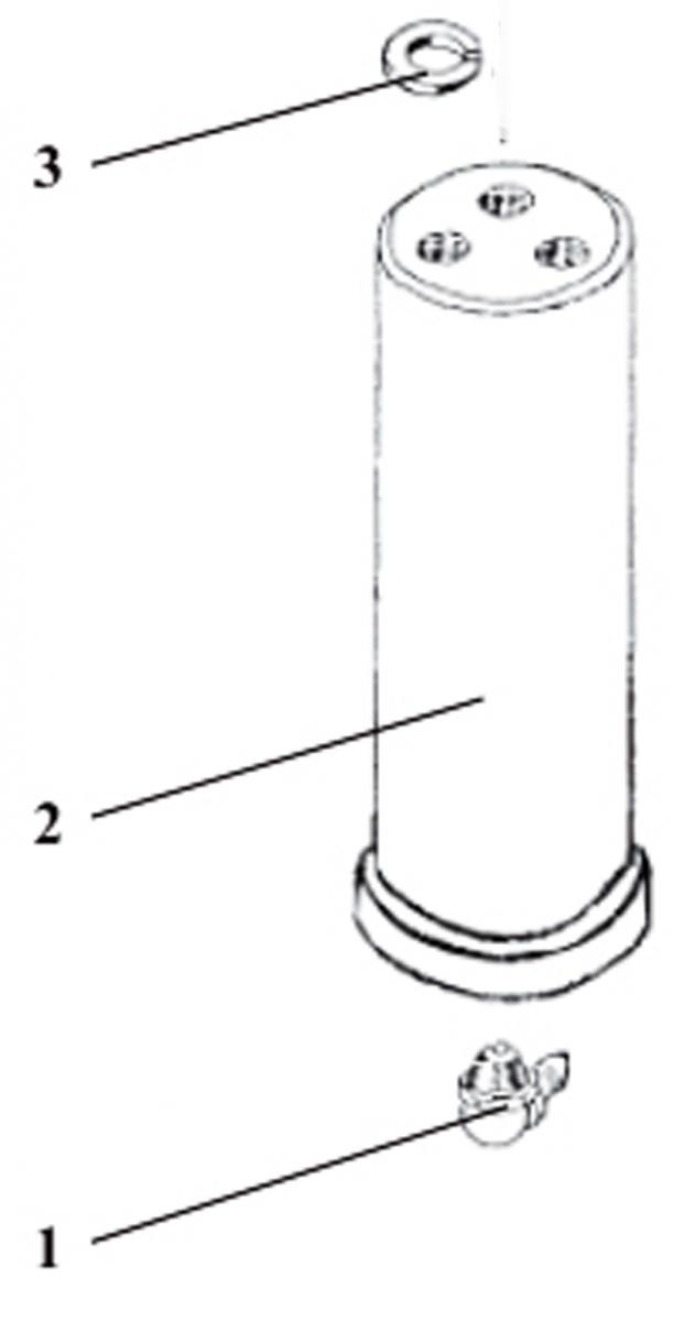
4
|
ТО-18Б.01.03.000
|
Палец
|
фото
|
5
|
6.02Ст3.0115.6958
|
Шайба
|
фото
|
6
|
М6х20.7798
|
Болт
|
фото
|
7
|
ТО-18.02.02.160
|
Цепочка
|
фото
|
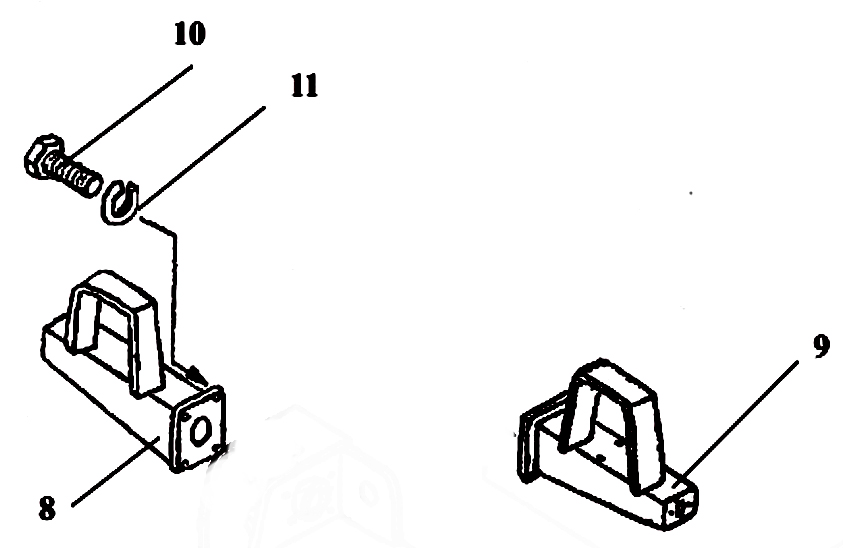
8
|
ТО-18Д.01.07.000
|
Кронштейн
|
фото
|
9
|
ТО-18Д.01.08.000
|
Кронштейн
|
фото
|
10
|
M12x20.7796
|
Болт
|
фото
|
11
|
12.6402
|
Шайба
|
фото
|
12
|
ТО-28А.01.00.001
|
Упор
|
фото
|
13
|
4x63.397
|
Шплинт
|
фото
|
14
|
ТО-18А.01.00.001
|
Палец
|
фото
|
15
|
ТО-18Б.71.03.000
|
Палец
|
фото
|
16
|
16 М6.5.0115.5915
|
Гайка
|
фото
|
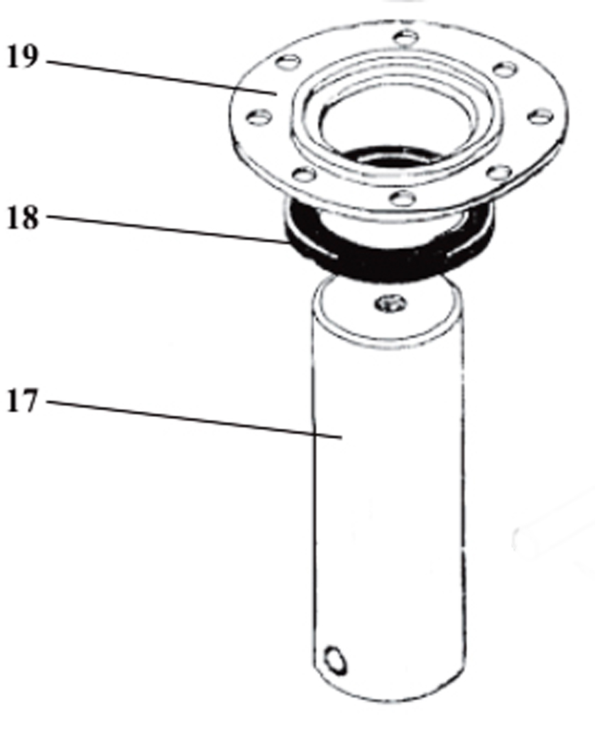
17
|
350.06.00.005
|
Кронштейн
|
фото
|
18
|
С12.02.Ст3.0115.11371
|
Шайба
|
фото
|

№ поз.
|
Каталожный номер
|
Наименование детали
|
Фото
|
1
|
2.3.19853
|
Масленка
|
фото
|
2
|
TO-18Б.71.00.001
|
Палец
|
фото
|
3
|
16.6402
|
Шайба
|
фото
|
4
|
Ml6x45.7796
|
Болт
|
фото
|
5
|
MI2x30.7796
|
Болт
|
фото
|
6
|
12.6402
|
Шайба
|
фото
|
7
|
TO-18A.01.00.010
|
Шайба
|
фото
|
8
|
ТО-18Б.71.00.006
|
Прокладка
|
фото
|
9
|
TO-18Б.71.00.003-01
|
Втулка
|
фото
|
10
|
1.2-80x105-1.8752
|
Манжета
|
фото
|
11
|
TO-18A.01.00.014
|
Крышка
|
фото
|
12
|
TO-18A.01.00.022
|
Прокладка
|
фото
|
13
|
TO-18A.01.00.022-01
|
Прокладка
|
фото
|
14
|
ШСЛ-70
|
Подшипник
|
фото
|
15
|
TO-18A.01.00.022-02
|
Прокладка
|
фото
|
16
|
TO-18Б.71.00.003
|
Втулка
|
фото
|
17
|
TO-18Б.71.00.002
|
Палец
|
фото
|
18
|
1.2-70x95-1.8752
|
Манжета
|
фото
|
19
|
TO-18A.01.00.015
|
Крышка
|
фото
|
20
|
10.6402
|
Шайба
|
фото
|
21
|
M10x20.7796
|
Болт
|
фото
|
22
|
6-16dx110.9650
|
Ось
|
фото
|
23
|
4x25.397
|
Шплинт
|
фото
|
24
|
TO-28А.01.00.004
|
Болт
|
фото
|
25
|
ТО-18Б.71.00.006-01
|
Прокладка
|
фото
|
26
|
ТО-18Б.71.00.006-02
|
Прокладка
|
фото
|
Заказ запасных частей по телефонам
- +375 (29) 6632398 - Климович Дмитрий Георгиевич (директор)
- +375 (29) 6153394 - Спиридонов Сергей Владимирович (главный инженер)
- +375 (29) 6630018 - Девятов Владимир Борисович (зам. дир по производству)
- +375 (29) 6742569 - офис
- +375 (17) 3578612, +375 (17) 3579713 - Офис