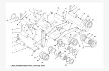
А352, А352В, А352С

Заказ запасных частей по телефонам

  • +375 (29) 6632398 - Климович Дмитрий Георгиевич (директор)
  • +375 (29) 6153394 - Спиридонов Сергей Владимирович (главный инженер)
  • +375 (29) 6630018 - Девятов Владимир Борисович (зам. дир по производству)
  • +375 (29) 6742569 - офис
  • +375 (17) 3578612, +375 (17) 3579713 - Офис